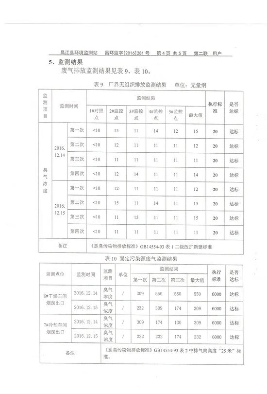
麻豆av 金竹橡胶加工分公司东红橡胶厂环境监测报告 时间:2017-01-09 来源:麻豆av Date:2017-01-09 Source:麻豆av 上一篇:麻豆av 视频会议系统建设项目中标公示 下一篇:财富广场高档装修写字楼招租 Previous:麻豆av 视频会议系统建设项目中标公示 Next:财富广场高档装修写字楼招租